精益求精,匠心制造10余年专注自控糖心视频APP官网入口研制

服务热线021-60528933

糖心官网入口糖心视频APP官网入口合理结构设计,高精跳压,出口压力稳定
上一页
下一页

WTZ-50(80)FQ型燃气调压器

WTZ-50(80)FQ型燃气调压器

WTZ-FQ型调压器适用于天然气、煤气、液化气和其他无腐蚀性气体调压和稳压,是替代衡量式(自力式)的新型调压器;应用于民用小区群楼调压及小型公寓设施。

服务热线: 021-60528933

WTZ-FQ型调压器适用于天然气、煤气、液化气和其他无腐蚀性气体调压和稳压,是替代衡量式(自力式)的新型调压器;应用于民用小区群楼调压及小型公寓设施。


设计特点Design features

●该系列调压器采用模块化结构设计,信号管均为内置式,性能稳定、流量大、造价低、结构紧凑,可在线维护,极为方便。

●超压自动切断。

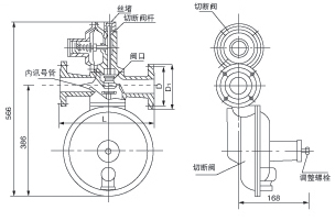
● FQ系列调压器的主要结构和尺寸(见图)。

● 该调压器还可配置成单路旁通(1+1)、双路加旁通(2+1)柜式调压系统。


特性参数Characteristic parameters

➣  进口压力P1:≤0.6MPa
➣  出口压力P2:1~50KPa
➣  稳定精度δP2: ±10%
➣  关闭压力Pb:≤ 1.25P2
➣  工作温度: -20℃~60℃
➣  公称管径:DN50、DN80

 图片4

结构示意图Matrix bitmap



图片1


流量表Flow meter

122



热品推荐 / Hot product

RW72高压糖心VLGO官网入口

高压糖心VLGO官网入口RW72

RW72系列不锈钢高压糖心VLGO官网入口,不锈钢活塞压力传输,压力控制准确,用手调节上游压力,适用于纯净气体、标准气体、腐蚀性气体、液体等。
RW200精密糖心VLGO官网入口

RW200精密糖心VLGO官网入口

糖心官网入口糖心视频APP官网入口RW200精密糖心VLGO官网入口的气室设计,其背压精度比弹簧式糖心VLGO官网入口高5倍,可达6000Psig,精度高,稳定性好,气液两相条件下的性能优良,适用于纯净介质和腐蚀性介质。
液体糖心VLGO官网入口LBF  液体泄压阀LAF

液体糖心VLGO官网入口LBF 液体泄压阀LAF

LBF系列液体糖心VLGO官网入口,采用膜片式结构,用于膜片压力传输,用于泵的出口,稳定压力,稳定流量,防止液体回流,也可以安装在支路中作泄压阀使用。与阻尼器配合使用,减小液体波动。
真空糖心VLGO官网入口RW76

真空糖心VLGO官网入口RW76

RW76系列真空糖心VLGO官网入口,不锈钢膜片压力传输,压力控制准确,用于调节管道真空压力的大小,适用于标准气体、腐蚀性气体、液体等。可面板安装。

糖心官网入口糖心视频APP官网入口产品中心

全国服务热线

021-60528933

相关推荐资讯

直动式糖心视频下载APP与先导式糖心视频下载APP的区别

直动式糖心视频下载APP与先导式糖心视频下载APP的区别

直动式糖心视频下载APP与先导式糖心视频下载APP的区别是什么?糖心官网入口糖心视频APP官网入口告诉您!先导式糖心视频下载APP是采用控制阀体内的启闭件的开度来调节介质的流量,将介质的压力降低,同时借助阀后压力的作用调节启闭件的开度,使阀后压力保持在一定范围内,在进口压力不断变化的情况下,保持出口压力在设定的范围内,保护其后的生活生产器具。本类糖心视频APP官网入口在管......
什么是单向阀

什么是单向阀

单向阀又称止回阀或逆止阀。用于液压系统中防止油流反向流动,或者用于气动系统中防止压缩空气逆向流动。今天糖心官网入口糖心视频APP官网入口为您介绍一下什么是单向阀。一、简介单向阀有直通式和直角式两种。直通式单向阀用螺纹连接安装在管路上。直角式单向阀有螺纹连接、板式连接和法兰连接三种形式。液控单向阀也称闭锁阀或保压阀,它与......
糖心视频APP官网入口的维护保养方式有哪些

糖心视频APP官网入口的维护保养方式有哪些

糖心视频APP官网入口品种及规格相当繁多,主要用于截止、导流、稳压、分流等,用途广泛。正确和有序有效的维护保养会保护糖心视频APP官网入口,使糖心视频APP官网入口正常发挥功能并且延长糖心视频APP官网入口使用寿命。今天糖心官网入口糖心视频APP官网入口为您介绍一下糖心视频APP官网入口的维护保养方式。日常糖心视频APP官网入口维护保养1、糖心视频APP官网入口应存干燥通风的室内,通路两端须堵塞。2、长期存放的糖心视频APP官网入口应定期检查,清除污物,并在加工......
我国糖心视频APP官网入口市场的现状及前景如何

我国糖心视频APP官网入口市场的现状及前景如何

糖心视频APP官网入口是工业上一种重要的流体控制设备,涉及到国民经济诸多部门,是国民经济的发展重要基础设备。今天糖心官网入口糖心视频APP官网入口带大家一起分析一下我国糖心视频APP官网入口市场的现状及前景。经过几十年的发展,我国糖心视频APP官网入口产品已经形成十几大类,在企业数量和产销量两方面均在世界上排名靠前,但大多是小规模、低层次糖心视频APP官网入口的企业,产品也以中低端为主。改......
网站地图