精益求精,匠心制造10余年专注自控糖心视频APP官网入口研制

服务热线021-60528933

糖心官网入口糖心视频APP官网入口精工铸造,品类丰富,一站式选购配套更省心
上一页
下一页

日、德标法兰

日、德标法兰

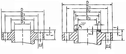
JIS 10K、16K、20K、30K、40K、63K、RF、FF 法兰尺寸表

服务热线: 021-60528933

JIS 10K、16K、20K、30K、40K、63K、RF、FF 法兰尺寸表

1

JIS 10K、RF、FF      mm

2

JIS 16K、RF、FF     mm

3

JIS 20K、RF、FF     mm

4


*t值中较小值为钢及可锻铸铁法兰;较大值为铸铁法兰。

JIS 30K、RF、FF   mm


5

JIS 40K、RF、FF

6

JIS 63K、RF、FF      mm

7

JPI 150、300、600RF、RJ法兰尺寸表

8

JPI 150RF          mm

9

JPI 300RF      mm

10

JPI 600RF      mm

11

JPI 150RJ      mm

12

JPI 300RJ     mm

13

JPI 600RJ     mm

14

德国DIN标准法兰尺寸

15

PN16(1.6MPa)     mm

16

PN40(4.0MPa)   mm

17

 注:德标尺寸与机械部标准法兰尺寸互换;新产品设计应优先采用系列1尺寸。

热品推荐 / Hot product

RW72高压糖心VLGO官网入口

高压糖心VLGO官网入口RW72

RW72系列不锈钢高压糖心VLGO官网入口,不锈钢活塞压力传输,压力控制准确,用手调节上游压力,适用于纯净气体、标准气体、腐蚀性气体、液体等。
RW200精密糖心VLGO官网入口

RW200精密糖心VLGO官网入口

糖心官网入口糖心视频APP官网入口RW200精密糖心VLGO官网入口的气室设计,其背压精度比弹簧式糖心VLGO官网入口高5倍,可达6000Psig,精度高,稳定性好,气液两相条件下的性能优良,适用于纯净介质和腐蚀性介质。
液体糖心VLGO官网入口LBF  液体泄压阀LAF

液体糖心VLGO官网入口LBF 液体泄压阀LAF

LBF系列液体糖心VLGO官网入口,采用膜片式结构,用于膜片压力传输,用于泵的出口,稳定压力,稳定流量,防止液体回流,也可以安装在支路中作泄压阀使用。与阻尼器配合使用,减小液体波动。
真空糖心VLGO官网入口RW76

真空糖心VLGO官网入口RW76

RW76系列真空糖心VLGO官网入口,不锈钢膜片压力传输,压力控制准确,用于调节管道真空压力的大小,适用于标准气体、腐蚀性气体、液体等。可面板安装。

糖心官网入口糖心视频APP官网入口产品中心

全国服务热线

021-60528933

相关推荐资讯

直动式糖心视频下载APP与先导式糖心视频下载APP的区别

直动式糖心视频下载APP与先导式糖心视频下载APP的区别

直动式糖心视频下载APP与先导式糖心视频下载APP的区别是什么?糖心官网入口糖心视频APP官网入口告诉您!先导式糖心视频下载APP是采用控制阀体内的启闭件的开度来调节介质的流量,将介质的压力降低,同时借助阀后压力的作用调节启闭件的开度,使阀后压力保持在一定范围内,在进口压力不断变化的情况下,保持出口压力在设定的范围内,保护其后的生活生产器具。本类糖心视频APP官网入口在管......
什么是单向阀

什么是单向阀

单向阀又称止回阀或逆止阀。用于液压系统中防止油流反向流动,或者用于气动系统中防止压缩空气逆向流动。今天糖心官网入口糖心视频APP官网入口为您介绍一下什么是单向阀。一、简介单向阀有直通式和直角式两种。直通式单向阀用螺纹连接安装在管路上。直角式单向阀有螺纹连接、板式连接和法兰连接三种形式。液控单向阀也称闭锁阀或保压阀,它与......
糖心视频APP官网入口的维护保养方式有哪些

糖心视频APP官网入口的维护保养方式有哪些

糖心视频APP官网入口品种及规格相当繁多,主要用于截止、导流、稳压、分流等,用途广泛。正确和有序有效的维护保养会保护糖心视频APP官网入口,使糖心视频APP官网入口正常发挥功能并且延长糖心视频APP官网入口使用寿命。今天糖心官网入口糖心视频APP官网入口为您介绍一下糖心视频APP官网入口的维护保养方式。日常糖心视频APP官网入口维护保养1、糖心视频APP官网入口应存干燥通风的室内,通路两端须堵塞。2、长期存放的糖心视频APP官网入口应定期检查,清除污物,并在加工......
我国糖心视频APP官网入口市场的现状及前景如何

我国糖心视频APP官网入口市场的现状及前景如何

糖心视频APP官网入口是工业上一种重要的流体控制设备,涉及到国民经济诸多部门,是国民经济的发展重要基础设备。今天糖心官网入口糖心视频APP官网入口带大家一起分析一下我国糖心视频APP官网入口市场的现状及前景。经过几十年的发展,我国糖心视频APP官网入口产品已经形成十几大类,在企业数量和产销量两方面均在世界上排名靠前,但大多是小规模、低层次糖心视频APP官网入口的企业,产品也以中低端为主。改......
网站地图