热门关键词: 不锈钢减压器 瓶阀 单向阀 气体糖心视频下载APP 不锈钢糖心VLGO官网入口


HTRW75中高压系列高温糖心VLGO官网入口,不锈钢活塞压力传输,压力控制准确,用手调节上游压力,适用于高温气体、高温液体等,可采用面板安装。有不锈钢糖心VLGO官网入口、黄铜糖心VLGO官网入口、哈氏合金糖心VLGO官网入口,钛材糖心VLGO官网入口等材质可选。
HTRW75中高压系列高温糖心VLGO官网入口,不锈钢活塞压力传输,压力控制准确,用手调节上游压力,适用于高温气体、高温液体等,可采用面板安装。有不锈钢糖心VLGO官网入口、黄铜糖心VLGO官网入口、哈氏合金糖心VLGO官网入口,钛材糖心VLGO官网入口等材质可选。
● 活塞式减压结构
● 母体螺纹1/4''-1''NPT(F)
● 内设过滤网
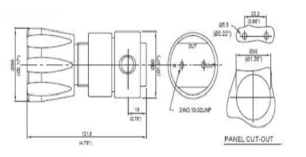
● 可采用面板式或墙式安装
● 实验室
● 气体分析
● 流体控制
● 石油化学工业
● 测试设备
| ➣ 最大输入压力:3000psig | |
| ➣ 调节压力: 0~300 0~600,0~800,0-1500,0.3000psig | |
| ➣ 安全测试压力:150%最大额定压力 | |
| ➣ 适用温度:100℃至+260℃(大于260℃咨询技术) | |
| ➣ 泄漏率:无气体泄漏 | |
| ➣ Cv值:0.06,0.08,0.2,0.4,0.6,1.2,2 |
| ➣ 母体:316L,Brass,C276,TA2,不锈钢衬氟 |
| ➣ 上盖:304 |
| ➣ O型圈: Viton,PTFE,四氟加碳纤维 |
| ➣ 阀 座: PEEK,PTFE,Vespel |
| ➣ 阀芯顶杆: 316L,司太莱合金,炭化钨 |
| 订购指南ORDERING INFORMATION | |||||||
| 系列 | 母体材质 | 母体孔位 | 调节压力 | 压力表 | 进气形式 | 出气形式 | 选项 |
|
HTRW75高温糖心VLGO官网入口 |
L | A | G | G | 00 | 00 | P |
|
L:316L B:Brass C:C276 T:TA2 CF::衬氟 |
A B |
G:0-150Psig I:0-300Psig K:0-600Psig L:0-800psig H:0-1500Psig J:0-3000psig |
G:附压力表(Mpa) P:附压力表(Psig/bar) W:无压力表 |
00:1/4"NPT(F) 01:1/4"NPT(F) 02:3/8"NPT(F) 04:1/2"NPT(F) 06:3/4NPT(F) 08:1"NPT(F) 91:1/4"VCR(F)内螺纹 92:1/4"VCR(M)外螺纹 93:1/4"焊接管 其它接头形式可供选择 |
00:1/4"NPT(F) 01:1/4"NPT(F) 02:3/8"NPT(F) 04:1/2"NPT(F) 06:3/4NPT(F) 08:1"NPT(F) 91:1/4"VCR(F)内螺纹 92:1/4"VCR(M)外螺纹 93:1/4"焊接管 其它接头形式可供选择 |
P:面板式安装 | |
全国服务热线