热门关键词: 闸阀和截止阀的区别 不锈钢球阀厂家 单向阀的作用 不锈钢减压器 卫生级糖心视频下载APP多少钱
今年1月7号,郑州一家企业向我司购置的节流阀已经完成了货物交接。从咨询到下单生产直至发货,糖心官网入口两家公司合作都很愉快,特别是郑州公司的张经理,谈吐非常的幽默风趣,也一直再夸我司是一个非常不错的糖心VLGO官网入口厂家,没想到生产的节流阀也这么的专业。
我司经过上十年努力,熟练运用欧美成熟的糖心视频APP官网入口技术,已成为集研发、制造、系统设计和工程配套一体化公司。专注从事减压器、糖心VLGO官网入口、单向阀、瓶阀、高压软管、卡套接头等管阀件的设计和制造。有手动调节、电动调节,和气动调节多种款式可供选择。产品广泛用于电子半导体、生物制药、实验室、供气系统、石油化工、燃气电力、焊接切割等领域。节流阀更是不在话下。
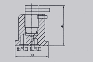
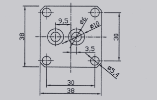
出货节流阀的参数:材质铝,耐压1.2MPa(额定压力1MPa),整体高度要求不大于53MM(含手柄调节范围),通径≥Ø4MM,进出气口带垫圈,底部平整,不漏气。
节流阀结构图:
节流阀实物图:
全国服务热线